|
Model |
RAOB02-1 |
RAOB03-1 |
RAOB04-1 |
RAOB05-1 |
RAOB10-1 |
RAOB15-1 |
RAOB20-1 |
|
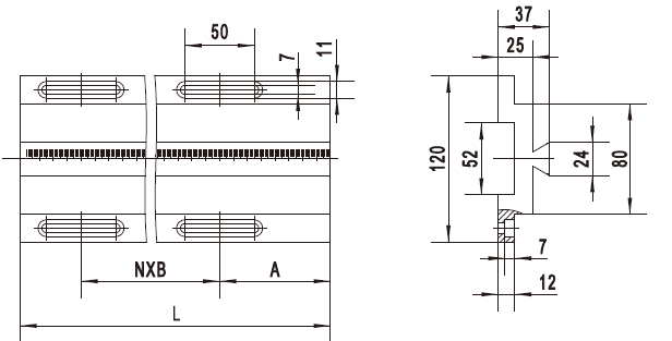
Overall Length L(mm) |
200 |
300 |
400 |
500 |
1000 |
1500 |
2000 |
|
Mounting Hole distance to the edge A(mm) |
50 |
80 |
|||||
|
Mounting Hole Center distance B (mm) |
100 |
140 |
240 |
170 |
280 |
335 |
460 |
|
Mounting Hole Number N |
1 |
2 |
3 |
4 |
|||
|
Net Weight(Kg) |
1.15 |
1.73 |
2.3 |
2.85 |
5.75 |
8.65 |
11.5 |
